8.5. AMATORSKA TECHNIKA ROZPRASZANIA WIDMA


  W eksperymentach amatorskich stosowane były oba systemy: kluczowania fazy i częstotliwości. Na falach krótkich stosowany był system kluczowania częstotliwości w połączeniu z emisją SSB, w zakresach UKF - system kluczowania fazy lub częstotliwości i emisja FM. Początkowo stosowane były niewielkie liczby kanałów - ok. kilkudziesięciu. Oczywiście zysk przetwarzania był w tych przypadkach nieznaczny. Ze względu na użycie nadajników wyposażonych w syntezery z pętlą synchronizacji fazowej stosowane były niewielkie szybkości przełączania od 5 do 10 skoków/s. Była to szybkość wystarczająca dla łączności fonicznych. W niektórych przypadkach szybkości przełączania dochodziły do 50 - 80 skoków/s, o ile pozwalał na to czas synchonizacji syntezera. Możliwe jest zwiększenie szybkości kluczowania częstotliwości nawet do 2000 skoków/s, jeżeli syntezer przełączany jest tylko na sąsiedni kanał, a nie na przypadkowo wybraną częstotliwość. Łączności cyfrowe wymagają zastosowania szybkości kluczowania równej szybkości transmisji albo jej wielokrotności (dla zwiększenia odporności na zakłócenia jak to wykazano uprzednio). Kluczowanie częstotliwości musi odbywać się synchronicznie z transmisją danych. Używane były nadajniki o mocy od kilku do 25 W. Często były to nawet tylko przenośne radiostacje z dorobionymi wejściami pozwalającymi na sterowanie syntezera częstotliwości z zewnątrz. Kody rozpraszające były generowane przez domowe komputery.
    Uruchomiono także próbne radiolatarnie (ang. beacon) pracujące w systemie kluczowania częstotliwości. Szybkość przełączania częstotliwości wynosiła 10 Hz, odstęp kanałów 25 kHz, a zakres częstotliwości pracy rozciągał się od 144,9 do 147,8 MHz. Moc stacji wynosiła po 25 W. Sekwencja synchronizująca była transmitowana na częstotliwości 144,9 MHz. Prowadzone były także próby ze stacjami przekaźnikowymi pracującymi w paśmie 900 MHz.
    Dalej przedstawiam dwa zasadnicze rozwiązania układów rozpraszania widma. W układzie pierwszym synchronizacja obu stron dokonywana jest za pomocą źródła zewnętrznego. Może to być sygnał częstotliwości wzorcowej nadawany przez stację długo- lub średniofalową (w Polsce np. częstotliwość Warszawy 1), stacje nawigacyjne systemu LORAN lub podnośna koloru uzyskiwana z odbiornika telewizyjnego. Innymi możliwościami jest wykorzystanie sygnałów odchylania z odbiornika telewizyjnego, częstotliwości różnicowej fonii lub podnośnej sygnału stereofonicznego Zewnętrzna synchronizacja powoduje uzależnienie od stacji synchronizującej, ale w początkowej fazie eksperymentów może być stosowana ze względu na prostotę systemu (dotyczy to zwłaszcza eksperymentów amatorskich). W drugim rozwiązaniu generator częstotliwości zegarowej synchronizowany jest za pomocą nośnej odzyskiwanej w trakcie procesu skupiania widma. W obu układach wykorzystano system kluczowania fazy wykorzystywany przeważnie w zakresach UKF. Przedstawione układy synchronizacji i generacji sygnału pseudolosowego mogą być oczywiście wykorzystane w systemach kluczowania częstotliwości. Częstotliwość sygnału zegarowego stosowana w systemach kluczowania częstotliwości może być znacznie niższa od wymaganej w systemach kluczowania fazy.
    Wykorzystanie jednego z zaprezentowanych rozwiązań układu synchronizacji, kombinacja różnych źrodeł sygnału synchronizującego i dopasowanie do interesującego systemu kluczowania, nie powinno nastęczać trudności.

8.5.1. SYNCHRONIZACJA ZEWNĘTRZNA


8.5.1.1. SYNCHRONIZACJA ZA POMOCĄ PODNOŚNEJ KOLORU

    Na rysunku 8.5 przedstawiono schemat blokowy układu synchronizacji z wykorzystaniem podnośnej koloru. Dostrojenie odbiorników telewizyjnych po obu stronach do tego samego programu TV (a najlepiej do tej samej stacji) gwarantuje uzyskanie synchronizmu. Generatory: VCO nadajnika i oscylator odbiornika pracują w paśmie 70 cm. Częstotliwość nadawania powinna leżeć możliwie najbliżej środka pasma. W przypadku podnośnej koloru w systemie PAL (częstotliwość 4,43 MHz) może być wykorzystana jej 98 harmoniczna (stosunek podziału w pętli równy jest 98). W oryginalnych rozwiązaniach amerykańskich wykorzystywano podnośną NTSC, a stosunek podziału wynosił 121. Sygnał podnośnej koloru wykorzystywany jest także jako sygnał zegarowy generatora sygnału pseudolosowego. W przykładowym rozwiązaniu nadajnik wykorzystywano do transnisji danych cyfrowych (pakiet radio). Dane te sumowane są z sygnałem rozpraszającym w sumatorze zrealizowanym na bramce EX-OR (exclusive-or). Po stronie odbiorczej sygnał nośnej odtwarzany jest również w oparciu o podnośną koloru, a następnie podawany na mieszacz zrównoważony (odpowiada to układowi odbiornika homodynowego). Na wyjściu mieszacza (pkt. 4) otrzymywany jest sygnał pseudolosowy zawierający transmitowaną informację. Na początku transmisji zawiera on tylko sekwencję rozpraszającą, która jest ładowana do rejestru przesuwnego. Generator sygnału pseudolosowego o konstrukcji identycznej z generatorem nadawczym jest taktowany za pomocą podwojonego sygnału podnośnej koloru. Układ korelatora otrzymuje do porównania dwa sygnały, przy czym jeden z nich taktowany jest z podwójną szybkością. Po uzyskaniu synchronizacji sygnał wyjściowy bramki OR powoduje przełączenie na takt o częstotliwości podstawowej (pkt. 5). Sekwencje rozpraszające po stronie odbiorczej i nadawczej pozostają zsynchronizowane. Po zsumowaniu sygnału rozpraszającego i odbieranego w bramce EX-OR otrzymywane są transmitowane dane.

    [rys. 8_05]


8.5.1.2. SYNCHRONIZACJA ZA POMOCĄ IMPULSÓW ODCHYLANIA RAMKI

    Inną możliwością synchronizacji generatora sygnału pseudolosowego jest synchronizacja za pomocą impulsów odchylania pobieranych z odbiornika telewizyjnego. W podanym przykładzie do tego celu zostały wykorzystane impulsy odchylania ramki. Zastosowany dzielnik częstotliwości przez cztery daje częstotliwość zegarową rejestru przesuwnego równą 12,5 Hz (zmieniając stosunek podziału można wybrać inną częstotliwość zegarową). Układ może być więc wykorzystany jedynie do powolnego kluczowania częstotliwości nadawania. Schemat blokowy przedstawiono na rysunku 8.6. Zerowanie rejestrów po obu stronach dokonywane jest za pomocą krótkiego tonu synchronizującego nadawanego przed rozpoczęciem łączności. Ton ten nadawany jest na umownej częstotliwości w.cz., która może być różna od częstotliwości pracy. Zeruje on (po zdekodowaniu w dekoderze) dzielniki częstotliwości i rejestry u obu korespondentów. Po zakończeniu tonu po obu stronach rozpoczyna się synchroniczna generacja kodu pseudolosowego. Synchronizacja stacji musi być dokonana jednorazowo na początku łączności, a nie za każdym razem przy zmianie kierunku transmisji.

    [rys. 8_06]

    Dokładny schemat przedstawiono na rysunku 8.7. Scalony generator LM555 (U2) generuje sygnał prostokątny o częstotliwości ok. 2 kHz. Drugi z obwodów LM555 pracuje w układzie przerzutnika monostabilnego i generuje pojedyńczy impuls o długości ok. 1 sekundy po wyzwoleniu go za pomocą zwarcia nóżki 2 do masy (synchronizacja stacji). Impuls ten powoduje przepuszczenie tonu 2 kHz przez bramkę U7C do wejścia mikrofonowego nadajnika. Ten sam impuls po przedłużeniu go w układzie złożonym z opornika 1 MW i kondensatora 3,3 ľF steruje przez bramki U8C, U8D i tranzystor przełączaniem nadawanie-odbiór radiostacji. Dzięki przedłużeniu impulsu nadajnik zostaje włączony przez pewien czas po zakończeniu impulsu synchronizującego. Jednocześnie ton synchronizujący podawany jest na dekoder tonu LM567 (U4), którego sygnał wyjściowy zeruje dzielnik częstotliwości i rejestr przesuwny stacji nadawczej. Tylne zbocze impulsu jest właściwym momentem synchronizacji obu korespondentów. Dzielnik częstotliwości odchylania ramki zbudowany jest na obwodzie 4018 (U3), a generator ciągu pseudolosowego na rejestrze przesuwnym 74164 (U5). W rozwiązaniu tym zastosowano (ze względu na prostotę) rejestr 7-stopniowy ze sprzężeniami z wyjść stopni pierwszego i siódmego. Można tu oczywiście użyć rejestru o większej długości, np. jednego z dwu opisanych poprzednio. Jako sumatory w układzie sprzężenia zwrotnego pracują bramki EX-OR typu 7486 lub ich odpowiedniki CMOS (można tu użyć obwodów 4015 i 4070). Użycie innego typu rejestru (z równoległymi wejściami ładującymi) pozwalałoby na ładowanie go dowolną inną kombinacją bitów (zamiast zerowania) i otrzymywanie różnych ciągów rozpraszających, a przez to pracę większej liczby stacji w tym samym kanale. Dokonanie odpowiednich zmian w układzie nie powinno nastręczyć większych trudności.
    Wyjścia rejestru mogą być użyte do sterowania syntezera częstotliwości bezpośrednio lub przez koder zrealizowany na pamięci EPROM (jest to zależne od konstrukcji syntezera i wymaganych przez niego kodów sterujących). Wymaga to dokładnego zapoznania się ze schematem używanej radiostacji.
    Sygnał zegarowy pobierany jest z cewek odchylania pionowego odbiornika telewizyjnego. Dla zapewnienia izolacji układu od napięcia sieci zastosowano sprzęgacz optyczny. Uzyskane w ten sposób impulsy są przedłużane za pomocą multiwibratora zbudowanego na bramkach U7A i U7B. Dla uzyskania wyższej częstotliwości zegarowej można skorzystać z impulsów odchylania linii i dobrać inny stosunek ich podziału.

    [rys. 8_07a]

    [rys. 8_07b]

    Po stronie odbiorczej sygnał z wyjścia głośnikowego odbiornika doprowadzony jest bezpośrednio do wejścia dekodera tonu (U4), a generatory tonu i impulsu (LM555, U1 i U2), bramki na ich wyjściach i układ przełączania nadawanie-odbiór są zbędne. Reszta układu pozostaje bez zmian. W obu układach diody świecące mogą być wogóle pominięte.
    Jedną z możliwości udoskonalenia układu jest zastąpienie generatorów i dekoderów tonu przez układ generujący/dekodujący pary tonów DTMF. Odpowiednie obwody scalone dostępne są powszechnie na rynku. Większość z nich jest sterowana kwarcem, co oszczędza konieczności zestrajania i zapewnia większą niezawodność pracy. Wiele modeli fabrycznych radiostacji (zwłaszcza przenośnych) wyposażonych jest w koder DTMF, co znacznie upraszcza konstrukcję układu.
    Przedstawiony układ nie jest jedynym możliwym rozwiązaniem, może on jednak stanowić dobrą podstawę do własnych eksperymentów.

8.5.1.3. SYNCHRONIZACJA ZA POMOCĄ SYGNAŁU DŁUGOFALOWEGO

    Odbiornik sygnału wzorcowego nadawanego w zakresie długo- lub średniofalowym wyposażony jest w odpowiedni dzielnik częstotliwości pozwalający na uzyskanie sygnału zegarowego. Dla częstotliwości ok. 1500 kHz stosunek podziału wynosi od 281 do 299, dla częstotliwości 225 kHz odpowiednio mniej (w przypadku kluczowania częstotliwości). W systemach kluczowania fazy można wykorzystać sygnał bezpośredni. Wykorzystanie sygnału stacji średniofalowej pozwala na uzyskanie większych częstotliwości sygnału zegarowego niezbędnych w systemach kluczowania fazy. Powielanie uzyskanego w ten sposób sygnału zegarowego, np. za pomocą pętli synchronizacji fazy, nie jest zalecane ze względu na wprowadzaną w ten sposób pasożytniczą modulację fazy. W praktyce do eksperymentów amatorskich wystarczy wykorzystanie sygnałów stacji leżących w górnej części zakresu średniofalowego. Dla częstotliwości 1,5 MHz szerokość głównego listka widma sygnału z kluczowaniem fazy wynosi 3 MHz. Pozwala to na prowadzenie prób w paśmie 70 cm i wyższych. Częstotliwość 225 kHz może być użyta w trakcie prób w paśmie 2 m. W razie potrzeby można zastosować podwajacz częstotliwości w postaci prostownika dwupołowkowego włączonego na wyjściu generatora. Schemat blokowy odbiornika przedstawiono na rysunku 8.8.

    [rys. 8_08]

    Układ odbiorczy składa się z trzech bloków: odbiornika właściwego, generatora synchronizowanego i układu kształtowania impulsów. Dokładny schemat przedstawiono na rysunku 8.9.

    [rys. 8_09a]

    [rys. 8_09b]

    Człon odbiorczy zrealizowany jest na obwodzie scalonym TBA120 charakteryzującym się skutecznym ograniczaniem amplitudy, pozwalającym na eliminację wpływu modulacji amplitudy. Część odbiorcza, wyposażona w antenę ferrytową, może być zmontowana w oddzielnym pudełku ekranującym i zainstalowana w miejscu o najkorzystniejszych warunkach odbioru. Zastosowany na wyjściu wtórnik emiterowy pozwala na połączenie odbiornika z dalszymi członami za pomocą kabla koncentrycznego. Ekranowanie odbiornika (i umieszczenie go w innym miejscu) jest pożadane ze względu na eliminację zakłóceń pochodzących z generatora synchronizowanego. Częstotliwość pracy generatora równa jest częstotliwości odbieranej. Ekranowanie generatora nie jest niezbędne, ale może być korzystne w niektórych przypadkach. Sygnał wyjściowy odbiornika, wzmocniony za pomocą bramek 4001 pracujących w liniowym obszarze pracy, synchronizuje generator LC. Generator ten stanowi swego rodzaju filtr dostrojony do częstotliwości nośnej i odfiltrowujący wstęgi boczne.
    Wyjściowy sygnał sinusoidalny po ograniczeniu w układzie przerzutnika Schmitta (7414) doprowadzony jest do układu kształtującego złożonego z dwóch przerzutników monostabilnych. Pierwszy z nich generuje impulsy o regulowanej długości, dzięki czemu możliwa jest regulacja fazy sygnału wyjściowego. Drugi z nich generuje właściwe impulsy wyjściowe o zadanej długości. W miarę potrzeby impulsy te mogą być doprowadzone do dzielnika częstotliwości. Wtórnik emiterowy na tranzystorze T8 dopasowuje wyjście układu do impedancji kabla koncentrycznego.
    Synchronizacja fazy może być dokonana za pomocą układu analogicznego do opisanego w p. 5.1.2 lub w najprostszym przypadku ręcznie.

8.5.1.4. GENERATOR SYGNAŁU PSEUDOLOSOWEGO

    Rysunek 8.10 przedstawia układ generatora sygnału pseudolosowego zbudowany na rejestrze przesuwnym TTL typu 74164. W układzie można oczywiście wykorzystać dowolne rejestry przesuwne TTL lub CMOS, najlepiej odpowiadające jednej z wymienionych powyżej norm. Jako sumatory mogą być także wykorzystane dowolne bramki EX-OR TTL lub CMOS. Rejestry o większej długości mogą być zestawione z kilku układów scalonych. Sygnał zegarowy pochodzi z jednego z przedstawionych układów synchronizacji. Jako stanu początkowego rejestru najlepiej jest użyć na początek stanu zerowego. Wszystkie inne stany początkowe powodują uzyskanie ciągu maksymalnego przesuniętego w fazie (pozwala to na pracę większej liczby stacji i lepsze wykorzystanie kanału). Wymuszone zerowanie rejestru w trakcie łączności, powodujące skok fazy sygnału rozpraszającego nie jest zalecane i było nawet zakazane w trakcie eksperymentów amerykańskich.

    [rys. 8_10]

    W systemach kluczowania fazy jako sygnał rozpraszający wykorzystywany jest sygnał wyjściowy ostatniego stopnia rejestru, w systemach kluczowania częstotliwości odpowiednia liczba wyjść równolegle.

8.5.1.5. MODULATOR ZRÓWNOWAŻONY

    Na rysunku 8.11 przedstawiony jest układ diodowego mieszacza zrównoważonego stosowanego w systemach dwufazowego kluczowania fazy. Mieszacz zasilany jest sygnałem TTL pochodzącym z ostatniego stopnia rejestru przesuwnego. Sygnał wielkiej częstotliwości z nadajnika musi być doprowadzony przez tłumik, aby uniknąć przesterowania mieszacza. Przykładowe rozwiązanie mieszacza z wykorzystaniem modułu SBL-1 (IE-500) przedstawia rysunek 8.12. Mieszacz ten dołączony jest do wyjścia antenowego radiostacji FT-708 (moc 1 W, pasmo 70 cm) przez tłumik o tłumieniu 27 dB. W przypadku radiostacji o większej mocy należy zwiększyć tłumienie. Stopień wytłumienia nośnej na wyjściu zależny jest od stopnia zrównoważenia mieszacza i długości kodu rozpraszającego. Różnica liczby stanów zero i jeden w kodzie wynosi jeden, maksymalne tłumienie nośnej obliczane jest więc ze stosunku 1/l gdzie l oznacza długość kodu, np. dla rejestrów 7-bitowych jest to 1/127 czyli ok. 21 dB, dla rejestrów 9-bitowych - 1/511 (ok. 27 dB). Na wyjściu mieszacza konieczne jest dołączenie selektywnego wzmacniacza mocy. Po stronie odbiorczej na wyjściu mieszacza (przed wejściem odbiornika) zalecany jest tłumik o tłumieniu ok. 96 dB. Oczywiście można tu zastosować dowolny scalony mieszacz zrównoważony (np. S042 lub podobne). Powinien to być mieszacz podwójnie zrównoważony dla zminimalizowania na wyjściu składowych związanych z sygnałem rozpraszającym. Jak wynika z podanych przykładów do eksperymentów amatorskich można zastosować nawet radiostacje przenośne. Rozwiązania takie były najczęściej stosowane w trakcie doświadczeń wykonywanych przez krótkofalowców amerykańskich.

    [rys. 8_11]

    [rys. 8_12]


8.5.2. SYNCHRONIZACJA ZA POMOCĄ NOŚNEJ

    [rys. 8_13]

    Schemat blokowy układu z synchronizacją za pomocą nośnej sygnału nadawanego przedstawia rysunek 8.13. Charakteryzuje się on znaczną prostotą i uniezależnieniem błędu synchronizacji od odległości między korespondentami (czasu propagacji sygnału radiowego). W układzie tym generator sygnału pseudolosowego w nadajniku otrzymuje sygnał zegarowy uzyskany z podziału 1/4 częstotliwości nośnej. W przedstawionym przykładzie sygnał ten jest dzielony dalej przez 40. Po stronie odbiorczej rejestr przesuwny zasilany jest sygnałem pochodzącym z synchronizowanego generatora o tej samej częstotliwości. Przy braku synchronizmu generator pracuje na częstotliwości zbliżonej do częstotliwości stosowanej w nadajniku. Częstotliwość zegarowa rejestru różni się więc nieznacznie od częstotliwości po stronie nadawczej. Generowany ciąg rozpraszający przesuwa się z wolna w fazie w stosunku do ciągu nadawanego. W momencie zgodności czasowej obu ciągów na wyjściu modulatora zrównoważonego pojawia się nośna synchronizująca generator. Od tego momentu oba ciągi pozostają w stanie synchronizacji przez długi czas (wystarczający do przeprowadzenia łączności). W układzie mogą być użyte modulatory opisane w punkcie 5.1.5. Przykładowo dla częstotliwości nośnej 436 MHz jej 1/4 wynosi 109 MHz, a częstotliwość zegarowa rejestru po podziale przez 40 - 2,725 MHz (szerokość głównego listka równa jest 5,450 MHz). Możliwe jest także zastosowanie innych stosunków podziału. Wadą tego rozwiązania jest konieczność wyprowadzenia z nadajnika sygnału sprzed ostatniego powielacza (przeróbek radiostacji). Możliwe byłoby także użycie dzielnika sygnału wyjściowego podłączonego do wyjścia antenowego radiostacji. Zaletą jest brak uzależnienia od zewnętrznego źródła synchronizacji. Schematy torów odbiorczego i nadawczego przedstawione są na rysunkach 8.14 i 8.15. Jako dzielników częstotliwości można użyć dowolnych dzielników TTL lub CMOS.

    [rys. 8_14a]

    [rys. 8_14b]

    [rys. 8_15a]

    [rys. 8_15b]

    Nadajnik powinien dostarczać sygnału o stosunkowo małej mocy, ok. 10 mW aby nie przesterować mieszacza. Dodatkowo na wejściu mieszacza znajdują się tłumiki zapobiegające jego przesterowaniu i powstawaniu nieliniowych zniekształceń sygnału wyjściowego. Dołączony na wyjściu wzmacniacz mocy dostarcza sygnału o mocy 0,4 W. Można tu oczywiście użyć dowolnego innego wzmacniacza mocy, także konstrukcja nadajnika może być dowolna.
    W układzie odbiorczym sygnał w.cz. po odpowiednim wzmocnieniu doprowadzony jest do wejścia mieszacza zrównoważonego. Sygnał wyjściowy mieszacza synchronizuje generator zbudowany na tranzystorach T1 i T2. Generator ten dostrojony jest do częstotliwości będącej 1/4 częstotliwości sygnału wejściowego, a więc np. - 109 MHz. Możliwe byłoby tu zastosowanie pętli synchronizacji fazy, jednak rozwiązanie to jest dużo prostsze i mniej wrażliwe na zakłócenia. Dalszą zaletą jest krótki czas reakcji (synchronizacji układu). Osiągane zasięgi ograniczone są przez czułość synchronizacji generatora. Sygnał wyjściowy generatora po podziale częstotliwości przez 40 zasila rejestr przesuwny. Wyjściowy sygnał pseudolosowy jest podawany na drugie wejście mieszacza zrównoważonego po odpowiednim dopasowaniu poziomu. Jako odbiornika można użyć dowolnej radiostacji na pasmo 70 cm. W razie potrzeby na wejściu odbiornika należy włączyć tłumik sygnału w celu uniknięcia przesterowania.

8.5.3. TRANSMISJE CYFROWE

    Na rysunku 8.16 przedstawiono szybki modem z rozpraszaniem widma. Cechą charakterystyczną układu jest równoległa transmisja sygnału rozpraszającego. Dopuszczalne są szybkości transmisji przekraczające 38 kbit/s.

    [rys. 8_16]

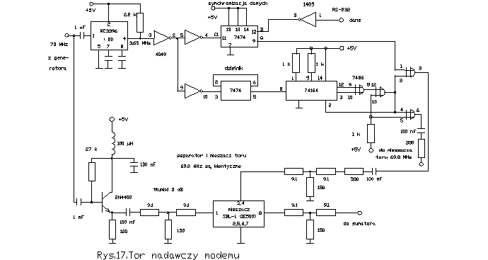
    Nadajnik składa się z dwóch generatorów pracujących na częstotliwościach 69,8 MHz i 73 MHz. Mogą to być dowolne generatory kwarcowe. Częstotliwości generatorów są również dowolne. Sygnały wyjściowe generatorów mieszane są wmieszaczach zrównoważonych z sygnałem rozpraszającym. Generator 73 MHz synchronizuje także układ generatora ciągu pseudolosowego. Stosunek podziału częstotliwości wynosi 40. Można tu zastosować dzielniki MC3396P i 7474. Częstotliwość zegarowa wynosi więc 1,825 MHz. Sygnały wyjściowe z mieszaczy są następnie sumowane (nie mieszane) ze sobą. Układem sumującym może być cewka nawinięta trifilarnie (trzy druty równolegle) na rdzeniu ferrytowym. W dalszej częsci nadajnika następuje zmieszanie tego sumarycznego sygnału (o częstotliwości środkowej 71,4 MHz) z sygnałem generatora lokalnego w celu otrzymania pożądanej częstotliwości pracy, leżącej np. w paśmie 430 MHz. Całkowita szerokość pasma wynosi ok. 6,9 MHz i rozciąga się (przed zmieszaniem) między 67,975 MHz a 74,825 MHz. Dane cyfrowe sumowane są w układzie sumatora logicznego (bramki EX-OR) z ciągiem pseudolosowym. Przed zsumowaniem są one synchronizowane w układzie przerzutnika D (7474). Do wejścia zegarowego przerzutnika doprowadzony jest sygnał o częstotliwości 3,65 MHz (z wyjścia dzielnika przez 20).
    W odbiorniku sygnał o częstotliwości pośredniej 71,4 MHz rozdzielany jest na dwa tory wzmacniaczy selektywnych o częstotliwościach środkowych równych 69,8 MHz i 73 MHz. Sygnały wyjściowe wzmacniaczy doprowadzone są do obu wejść mieszacza zrównoważonego. W torze 69,8 MHz transmitowany jest sygnał rozpraszający, a w torze 73 MHz - sygnał zmodulowany danymi użytecznymi. Odpada tutaj skomplikowany problem synchronizacji odbiornika. Otrzymywany na wyjściu mieszacza zrównoważonego sygnał użyteczny może być następnie wzmacniany i kształtowany w dalszych stopniach w zależności od potrzeb.
    Główne fragmenty układów nadajnika i odbiornika przedstawiono na rysunkach 8.17 i 8.18.

    [rys. 8_17]

    [rys. 8_18]

    Rysunek 8.19 przedstawia uproszczony układ pomiarowy. W układzie tym człony nadawczy i odbiorczy modemu są sprzężone ze sobą bezpośrednio, bez udziału kanału w.cz. Komputer dostarcza sygnału cyfrowego, np. w wyniku transmisji odpowiednio długiego zbioru. Nadawane i odbierane dane obserwowane są na dwukanałowym oscyloskopie. Podłączenie analizatora widma nie jest konieczne.

    [rys. 8_19]

    Zasadę równoległej transmisji ciągu rozpraszającego i sygnału zmodulowanego można oczywiście stosować także w transmisjach fonicznych.

8.5.4. SYNCHRONIZACJA ZA POMOCĄ CYFROWEJ PĘTLI FAZOWEJ

    Obwód synchronizacji fazy przedstawiony na rysunku 8.20 zawiera dwa mieszacze skupiające, do których doprowadzony jest kod przesunięty wzajemnie w fazie o czas trwania pojedyńczego bitu. Możliwe jest też przyjęcie jako różnicy faz czasu trwania dwóch bitów. W celu otrzymania wymaganego przesunięcia w fazie zastosowano dodatkowy rejestr przesuwny. Amplitudy skupionych sygnałow na wyjściu mieszaczy są mierzone i po zsumowaniu wyników (a dokładniej rzecz biorąc odjęciu w celu otrzymania charakterystyki regulacji o kształcie litery S) uzyskiwane jest napięcie regulujące częstotliwość generatora zegarowego. W stanie braku synchronizacji częstotliwość zegarowa powinna się różnić od wymaganej, tak aby umożliwić wzajemne przesuwanie się w fazie kodu odbieranego i generowanego lokalnie. Po osiągnięciu różnicy faz mniejszej od czasu trwania bitu następuje zaskok synchronizacji i pętla dąży do zminimalizowania różnicy faz między kodem "środkowym" i odbieranym (kompensuje ona niestabilności generatorów zegarowych w nadajniku i odbiorniku, wpływ zmian czasu propagacji itp.). Optymalny punkt pracy znajduje się na środku charakterystyki. Kod synchroniczny doprowadzony jest do trzeciego mieszacza, którego sygnał po skupieniu steruje odbiornik. Dla skrócenia czasu zaskoku odbiorniki są często wyposażone w układy synchronizacji zgrubnej. W warunkach amatorskich dla uproszczenia układu moża, biorąc pod uwagę niewielkie długości kodów, zrezygnować z synchronizacji zgrubnej. Częstotliwość zegarowa nadawanego kodu może, ale nie musi być synchronizowana nośną.

    [rys. 8_20]

    Na rysunkach 8.21 - 8.23 przedstawione są szczegółowe schematy najważniejszych członów odbiornika z pętlą fazową. Pętla synchronizacji fazy składa się z dwóch identycznych częsci, w których zastosowano mieszacze RFFM2 i scalone odbiorniki FM typu NE605. Dostarczają one napięcia proporcjonalnego do siły sygnału (na wyjściu S-metra - RSSI). Pracują one więc jedynie jako mierniki amplitudy i mogą być zastąpione przez inne dowolne obwody odbiorników albo wzmacniaczy p.cz. pod warunkiem, że są one wyposażone w wyjście siły odbioru (np. MC3361). Zakres dynamiki pomiarów wynosi dla obwodów NE605 ok. 90 dB. Trzeci tor (użytkowy) może być zbudowany identycznie - zdemodulowany sygnał pobierany jest wówczas z nóżki 11 obwodu NE605. Na wyjście mieszacza skupiającego można także dołączyć dowolny odbiornik albo radiostację jak to przedstawiono w poprzednich przykładach. Oryginalny układ, opracowany przez G1PVZ składał się z trzech identycznych bloków i pracował na częstotliwości pośredniej 70 MHz. Częstotliwość pośrednia może być oczywiście dowolna, np. 145 MHz tak aby w odbiorniku na pasmo 70 cm zastosować radiostację na 2 m, jest ona także zależna od częstotliwości granicznych użytych obwodów scalonych. Pętla fazowa może także pracować bezpośrednio w zakresie w.cz. Dzięki stosunkowo dużemu wzmocnieniu i zakresowi dynamiki scalonych odbiorników czułość synchronizacji jest wyższa, aniżeli w przedstawionym poprzednio układzie z generatorem synchronizowanym bezpośrednio. Częstotliwość zegaroea kodu może być dowolnie wybrana i nie musi być stałym stosunkiem podziału z częstotliwością nośnej. Wzmacniacze MAR6 mogą być zastąpione przez dowolne układy tranzystorowe.
    Napięcia proporcjonalne do siły odbioru z wyjść RSSI doprowadzone są do układu odejmującego zrealizowanego na wzmacniaczu operacyjnym A1 (LM324), po wzmocnieniu i odfiltrowaniu sygnał regulacji steruje częstotliwością generatora zegarowego (VCXO). Generator ten dostarcza sygnału o częstotliwości 8 MHz do rejestru opóźniającego, po dalszym podziale przez dwa otrzymywany jest sygnał zegarowy dla generatora kodu. Dzięki podziałowi częstotliwości otrzymywane są opóźnienia wynoszące +/- 1/2 czasu trwania bitu. Generator kodu jest identyczny z przedstawionymi uprzednio. Scalony dzielnik napięcia TLE2426 może być zastąpiony przez dzielnik napięcia zrealizowany na czwartym wzmacniaczu znajdującym się w obudowie LM324.

    [rys. 8_21]

    [rys. 8_22]

    [rys. 8_23]


8.5.4.1. SPIS CZĘŚCI

Tor mieszacza w pętli (pojedyńczy):
oporniki: 2 x 9,1, 25, 2 x 150, 560, 2 x 680, 20 k, 100 k,
kondensatory: 4 x 10 nF, 8 x 100 nF, 15 uF,
filtry ceramiczne: 2 x SFE6.0MB,
obwody scalone: NE605, 74HC86, MAR6 (MAR1 - MAR8, MSA0104 - MSA1104).

Generator kodu:
oporniki: 100, 120, 470, 4 x 1 k, 3,3 k, 2 x 33 k, 47 k, 56 k, 10 x 100 k, 1 M,
potencjometr: 10 k,
kondensatory: 2 x 220 pF, 1 nF, 2 x 10 nF, 1,5 uF,
tranzystor: BC109,
diody: dwie pojemnościowe BB212, dwie dowolne krzemowe,
obwody scalone: 74HC04, 74HC14, 74HC86, 2 x 74HC164, 74HC4040, TLE 2426, LM324,
kwarc 8MHz.

Heterodyna:
oporniki: 470, 560, 5,6 k, 15 k,
kondensatory: trymer 6,8-45 pF, 22 pF, 2 x 33 pF,
tranzystor: 2N918 (dowolny npn o odpowiedniej częstotliwości granicznej),
cewka 0,69 uH, kwarc.



Wydanie z dn. 20.03.1999.

© Prawa autorskie Krzysztof Dąbrowski, OE1KDA.